
D373H、D373Y 型(xíng)對夾蝶閥采用(yòng)精密的J形(xíng)彈性密封圈和(hé)三偏心多層(céng)次金屬硬密封結構,被(bèi)廣泛用於介質溫度≤425℃的治金、電力、石油化工、以及給(gěi)排水和市政建(jiàn)設等工業管道上(shàng),作調(diào)節流量和載(zǎi)斷流體使用。
【產品用途】
D373H、D373Y 型對夾蝶閥采用精密的J形(xíng)彈(dàn)性密封圈和三偏心多層次金屬硬密封結構,被廣泛用於介質溫度≤425℃的治金、電力、石油化工、以及給排水和市政建設等工業管道上,作調節流量和載斷流體使用。
【產品特點】
1、對夾(jiá)蝶閥采用三偏心密封結構,閥(fá)座(zuò)與蝶板幾乎無磨損,具有(yǒu)越觀越緊的密(mì)封功能
2、密封圈選用不鏽鋼製作,具有(yǒu)金屬硬密封和彈性密封的雙(shuāng)重優(yōu)點,無論在低溫和高溫的情況下,均具有優良的密封性能,具有耐腐蝕,使用壽命長等特點
3、蝶板密封麵采用堆焊鈷基硬(yìng)質合金,密封(fēng)麵耐磨損,使用壽命長
4、大規格蝶板采用絎架結構,強度高,過流麵積大,流(liú)阻小
5、對夾式硬密封蝶閥具有雙向密(mì)封功能,安裝時不受介質流向的限製,也不受空間位置的影響,可在任(rèn)何方向安裝
6、驅動裝置可(kě)以多工位(旋轉90°或180°)安裝(zhuāng),便於用(yòng)戶使用(yòng)
【性能參數】
|
型號 |
D373H-10C~40 |
D373H-10P~40 |
|
|
D373Y-10C~40 |
D373Y-10P~40 |
||
|
工作壓力(MPa) |
1.0~4.0 |
||
|
適用溫度(dù)(℃) |
≤300 |
||
|
適用介質 |
水、油品、蒸汽等 |
||
|
材料 |
閥體、蝶板 |
鑄鋼 |
奧氏體不鏽鋼 |
|
閥杆 |
40Cr |
奧氏體不鏽鋼 |
|
|
密封(fēng)麵配對材料 |
不鏽鋼/不鏽鋼 |
不(bú)鏽鋼/司太(tài)立 |
|
|
填料 |
柔性石墨 |
聚四氟乙烯 |
|
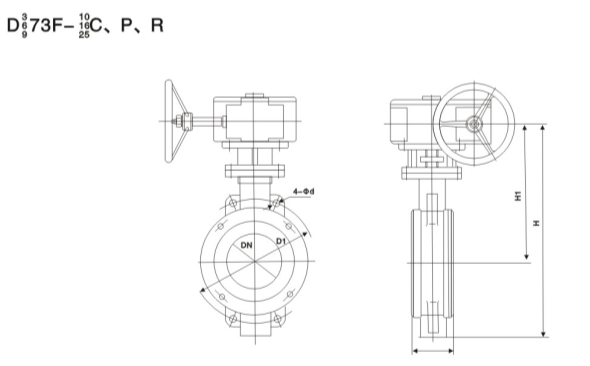
【主要(yào)外(wài)形和連接尺寸】
|
公稱通徑DN |
主要尺寸 |
法蘭尺寸 |
|||||||
|
1.0MPa |
1.6MPa |
2.5MPa |
|||||||
|
L |
H1 |
H |
D1 |
n-Φd |
D1 |
n-Φd |
D1 |
n-Φd |
|
|
50 |
43 |
255 |
340 |
125 |
4-18 |
125 |
4-18 |
125 |
4-18 |
|
65 |
46 |
280 |
370 |
145 |
4-18 |
145 |
4-18 |
145 |
4-18 |
|
80 |
49 |
285 |
385 |
160 |
4-18 |
160 |
4-18 |
160 |
4-18 |
|
100 |
56 |
310 |
430 |
180 |
4-18 |
180 |
4-18 |
190 |
4-22 |
|
125 |
64 |
310 |
440 |
210 |
4-18 |
210 |
4-18 |
220 |
4-26 |
|
150 |
70 |
315 |
475 |
240 |
4-23 |
240 |
4-22 |
250 |
4-26 |
|
200 |
71 |
380 |
590 |
295 |
4-23 |
295 |
4-22 |
310 |
4-26 |
|
250 |
76 |
460 |
710 |
350 |
4-23 |
355 |
4-26 |
370 |
4-30 |
|
300 |
83 |
475 |
725 |
400 |
4-23 |
410 |
4-26 |
430 |
4-30 |
|
350 |
92 |
510 |
830 |
460 |
4-23 |
470 |
4-26 |
490 |
4-33 |
|
400 |
102 |
550 |
900 |
515 |
4-25 |
525 |
4-30 |
550 |
4-36 |
|
450 |
114 |
590 |
970 |
565 |
4-25 |
585 |
4-30 |
600 |
4-36 |
|
500 |
127 |
610 |
1030 |
620 |
4-25 |
650 |
4-33 |
660 |
4-36 |
|
600 |
154 |
660 |
1150 |
725 |
4-30 |
770 |
4-36 |
770 |
4-39 |
|
700 |
165 |
730 |
1220 |
840 |
4-30 |
840 |
4-36 |
875 |
4-42 |
|
800 |
190 |
810 |
1300 |
950 |
4-34 |
950 |
4-39 |
990 |
4-48 |
|
900 |
203 |
930 |
1480 |
1050 |
4-34 |
1050 |
4-39 |
1090 |
4-48 |
|
1000 |
216 |
1020 |
1600 |
1160 |
4-34 |
1170 |
4-42 |
1210 |
4-56 |
【結構圖片】
如果您對報價或合作有任何(hé)疑問,請隨時通過以下電子郵件與我們(men)聯係 lg@jiye.js.cn 或使用以下查(chá)詢表格。 我們的銷售代表將在24小時內與您聯係。 感謝你對我們產品(pǐn)感興趣。